SOWA のネットショップです。このページでは棚受けやブラケットやグラスラックなどを販売しています。弊社総合カタログには家具金物・建築金物・店舗金物を掲載しています。

46757 面付ロッカー錠 N507−30LB 別番 別番 100通り

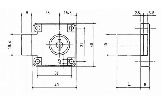
開き扉用の面付シリンダー錠です。
●キーは180°回転し、施錠時・解錠時の2箇所で抜き差しできます。
●506型プッシュ錠・508型面付シリンダー錠・410-1R型ガラス錠なら同じキー番号で共通使用ができます。
●別番100通り
●シリンダー径:Φ19
●適用板厚28〜30mm
●仕上:ニッケル
付属品
●皿木ねじ3.1×20(本体用)

●皿木ねじ2.1×10(受座用)

●子鍵(2本)

●化粧リング

●受座

カタログページはこちら
型番 46757
販売価格
3,000円(税込3,300円)
購入数